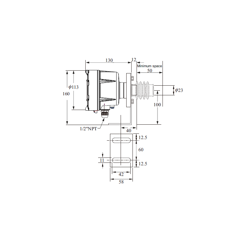
Monitor de Velocidad EDX
Categoría Inicio SKU 00071034007
Monitor de Velocidad EDX Finetek con salida a relé y análogo 4 a 20 mA.
- Consulte por stock
Especificaciones Tecnicas
| Alimentación | 220 Vac |
|---|---|
| Protección | IP65 |
| Temperatura de Operación | -40° a 80°C |
| Contactos | 5A / 250VAC, 5A / 30VDC N.O y N.C |
| Salidas Análogas | 4 a 20 mA |
| Velocidad de Rotación | 0 a 999 RPM |
Monitor de Velocidad EDX.
EDX4 Speed Monitor es un equipo de monitoreo de velocidad de rotación; utiliza el principio de fotodetector y microprocesador para calcular con precisión un amplio rango de velocidad de giro. Detecta entre 1 ~ 999 rpm.
Hay un relé de contacto que podría usarse para fines de alarma o control durante el proceso de monitoreo. El punto de ajuste de la alarma podría establecerse directamente mediante botones numéricos, lo cual es más conveniente y más preciso que los medios convencionales. Viene equipado con salida de señal analógica que podría utilizarse para diversas indicaciones de visualización y un control más preciso. Es ideal para aplicaciones en el monitoreo de situaciones de baja velocidad, parada y sobrecarga.